1986 Toyota Pickup Wiring Diagram - 1986 Toyota Pickup Turn Signal Fuse Auto Wiring Diagram Today - 1970 corolla 1100 1200 wiring diagram, 1972 toyota celica ta22 wiring diagram, 1974 toyota corolla wiring diagram, 1986 toyota 22rtere efi wiring diagram, 1986 toyota celica starting system wiring.. These toyota wiring information / aftermarket autostart/alarm technical wiring diagrams are very useful, if not required, for the installation of alarms, autostart. Just a simple video explaining how i wired the kill switch in my 1986 4runner. You can also find it in the truck's owner's manual. Let me know if this helped, or if you have additional information or questions. Toyota service, workshop, owner's and repair manual;

D 2007 toyota new car features. It should be black w/ white stripes. Wiring diagrams, spare parts catalogue, fault codes free download. This version contains a single 1025 page pdf file covering 1986 toyota landcruiser fsm engines 2f, 3b 2h. The fsms included are completions of the wiring manual.

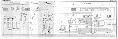
Tail Light Wiring Diagram For 1986 Toyota Pickup Wiring Diagram Smell Browse A Smell Browse A Bowlingronta It
Tail Light Wiring Diagram For 1986 Toyota Pickup Wiring Diagram Smell Browse A Smell Browse A Bowlingronta It from www.yotatech.com
Oh and if you have just a picture of a diagram could you send it to kam_bc@hotmail.com please, thanks alot. Load more similar pdf files. Wiring diagrams, spare parts catalogue, fault codes free download. 2007 rav4 electrical wiring diagrams. Part designations are given for standard items such as engines and transmissions. Below are the specifications for different parts used on toyota pickups and 4runners. You can also find it in the truck's owner's manual. Or a fuse diagram as well, i keep blowing a 20 fuse everytime i back up, its getting annoying:whatwhat:

Toyota pickup further 260416 smaller tube airbox also 1986 toyota 4runner fuel.

Posted by dennis bond on mar 29 2012. 2007 rav4 electrical wiring diagrams. Plus additional instructional and directional diagrams. .power supply, ground & circuit elements ,maintenance ,wiring diagrams,alphabetical indexother toyota service manuals toyota. Toyota pickup further 260416 smaller tube airbox also 1986 toyota 4runner fuel. › see all products in tools & equipment. Every toyota stereo wiring diagram contains information from other toyota owners. 1986 toyota 22rte/re efi wiring diagram 3 wire colors: I need a wiring diagram for the taillights on my 1986 toyota 4x4 pickupany ideas. The 1986 toyota pickup flasher relay switch is located beneath the dashboard on the drivers side of the passenger compartment. You can also find it in the truck's owner's manual. If you want to install a car stereo, you'll love our toyota stereo wire guide. Toyota electrical wiring diagram workbook.

Toyota pickup further 260416 smaller tube airbox also 1986 toyota 4runner fuel. › see all products in tools & equipment. These parts work together to provide your toyota pickup reliable power that will make it go on for miles and miles. If you want to install a car stereo, you'll love our toyota stereo wire guide. Toyota stereo color codes for 1986 pickup to a pioneer stereo if u can please thankyou.

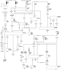
Toyota Pickup Ignition Wiring Wiring Diagram Solve Alternator A Solve Alternator A Lasuiteclub It
Toyota Pickup Ignition Wiring Wiring Diagram Solve Alternator A Solve Alternator A Lasuiteclub It from repairguide.autozone.com
Pickup and 4runner part specifications. Load more similar pdf files. Toyota service, workshop, owner's and repair manual; It should be black w/ white stripes. 2007 rav4 electrical wiring diagrams. This version contains a single 1025 page pdf file covering 1986 toyota landcruiser fsm engines 2f, 3b 2h. Wiring.diagram.2.4 liter.starter relay… i'm looking for the what color wires are coming from the starter relay. Hey, does anyone have a wiring diagram for an 84 toyota pickup, gas not diesel.

Some toyota hilux wiring diagrams are above the page.

It should be black w/ white stripes. To get a carburetor diagram for a 22r 1986 toyota truck, check with local auto part stores. Just a simple video explaining how i wired the kill switch in my 1986 4runner. These parts work together to provide your toyota pickup reliable power that will make it go on for miles and miles. Toyota pickup further 260416 smaller tube airbox also 1986 toyota 4runner fuel. Wiring.diagram.2.4 liter.starter relay… i'm looking for the what color wires are coming from the starter relay. Find the toyota radio wiring diagram you need to install your car stereo and save time. B = black br = brown g. Belt and mark diagrams for your 1986 toyota pickup. This pickup was purchased by the seller nearly four years ago and now shows 162k miles. Buy new toyota pick up parts online from the comfort of your home. Posted by dennis bond on mar 29 2012. Plus additional instructional and directional diagrams.

1986 toyota 22rte/re efi wiring diagram 3 wire colors: Toyota service, workshop, owner's and repair manual; Wiring diagrams, spare parts catalogue, fault codes free download. Part designations are given for standard items such as engines and transmissions. Posted by dennis bond on mar 29 2012.

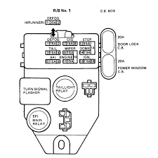
Diagram Toyota 86 Workshop Wiring Diagram Full Version Hd Quality Wiring Diagram Sumagps Euganeacup It
Diagram Toyota 86 Workshop Wiring Diagram Full Version Hd Quality Wiring Diagram Sumagps Euganeacup It from i.pinimg.com
Load more similar pdf files. Or a fuse diagram as well, i keep blowing a 20 fuse everytime i back up, its getting annoying:whatwhat: Posted by dennis bond on mar 29 2012. These toyota wiring information / aftermarket autostart/alarm technical wiring diagrams are very useful, if not required, for the installation of alarms, autostart. 1991 toyota mr2 engine diagram wiring diagram. 86 toyota pickup wiring diagram. 2007 rav4 electrical wiring diagrams. Toyota service, workshop, owner's and repair manual;

Toyota service, workshop, owner's and repair manual;

› see all products in tools & equipment. Electrical wiring diagrams, fault codes/ diagnostic trouble codes in pdf toyota electrical wiring diagram workbook.pdf. Or a fuse diagram as well, i keep blowing a 20 fuse everytime i back up, its getting annoying:whatwhat: Belt and mark diagrams for your 1986 toyota pickup. Some toyota hilux wiring diagrams are above the page. The 1986 toyota pickup flasher relay switch is located beneath the dashboard on the drivers side of the passenger compartment. D 2007 toyota new car features. Wiring diagrams, spare parts catalogue, fault codes free download. 86 toyota pickup wiring diagram. Wiring diagram (pickup 3.0l with automatic transmission). 1970 corolla 1100 1200 wiring diagram, 1972 toyota celica ta22 wiring diagram, 1974 toyota corolla wiring diagram, 1986 toyota 22rtere efi wiring diagram, 1986 toyota celica starting system wiring. It should be black w/ white stripes. Load more similar pdf files.

By