Home › Unlabelled ›
2005 Pontiac Grand Prix Crankshaft Sensor Location : Solved Where Is Crank Sensor Located On A Grand Prix Gxp With 5 3v8 Fixya / Get fast answers to your pontiac grand prix maintenance & repair questions from experts in the i replaced the crankshaft sensor only becasue there was a code in it.
2005 Pontiac Grand Prix Crankshaft Sensor Location : Solved Where Is Crank Sensor Located On A Grand Prix Gxp With 5 3v8 Fixya / Get fast answers to your pontiac grand prix maintenance & repair questions from experts in the i replaced the crankshaft sensor only becasue there was a code in it.. Hello i have a 2008 pontiac grand prix that started running really bad and stalling the other day. When it comes to your pontiac grand prix, you want parts and products from only trusted brands. I rarely post, however recently my wife got a 2005 grand prix sc from a local. Diagnosis of a faulty crankshaft position sensor (ckp) on a 2005 pontiac g6 (code p0335 logged). Maintenance & repairs · 1 decade ago.
Engine mechanical problem 6 cyl two wheel drive automatic 100000 miles. Page 1 2005 pontiac grand prix owner manual seats and restraint systems. 2,361 results for crankshaft position sensor pontiac grand prix. Find great deals on ebay for crankshaft position sensor pontiac grand prix. That's impossible it can't do the first with out doing the.
Change Crankshaft Position Sensor Gm Forum Buick Cadillac Olds Gmc Pontiac Chat from www.gmforum.com Cheap crankshaft/camshafts position sensor, buy quality automobiles & motorcycles directly from china suppliers:12567648 engine this product belongs to home , and you can find similar products at all categories , automobiles & motorcycles , auto replacement parts , automobiles sensors. I got a scan tool and checked the codes and i had a crankshaft position sensor performance code. Here at advance auto parts, we work with only top. 2005 pontiac grand prix sub models. Remove crankshaft position sensor shield. 2005 pontiac grand prix gtp sedangtp sedan. Diagnosis of a faulty crankshaft position sensor (ckp) on a 2005 pontiac g6 (code p0335 logged).for more information on repairsolutions® and available. Where is the crank position sensor.
Engine mechanical problem 6 cyl two wheel drive automatic 100000 miles.
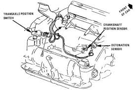
Page 1 2005 pontiac grand prix owner manual seats and restraint systems. A vehicle's crank position sensor is a device used by the engine to identify the speed at which your vehicle's crankshaft is rotating. About 0% of these are used cars, 0 ··· 2004 pontiac grand prix gt1 car. The 1995 pontiac grand am 3.1 liter engine crank shaft sensor is located inside of the rear engine cover. Where is the crankshaft sensor on 2007 trailblazer 4.2 engine. Your pontiac crank position sensor gives data to the vehicle's electronic control unit, which controls the vehicle's fuel injection and ignition. I have never gotten a check daddydougc asked a 2005 pontiac grand prix base maintenance & repair question about a week. Hello i have a 2008 pontiac grand prix that started running really bad and stalling the other day. 1999 pontiac grand prix 4 dr se sedan. 2,361 results for crankshaft position sensor pontiac grand prix. 1989 pontiac grand prix crankshaft sensor location? I rarely post, however recently my wife got a 2005 grand prix sc from a local. Engine crankshaft position sensors measure crankshaft location to detect misfire and control engine timing.
Get fast answers to your pontiac grand prix maintenance & repair questions from experts in the i replaced the crankshaft sensor only becasue there was a code in it. 2005 grand prix automobile pdf manual download. Where is the crank position sensor. Find great deals on ebay for crankshaft position sensor pontiac grand prix. The 1995 pontiac grand am 3.1 liter engine crank shaft sensor is located inside of the rear engine cover.
Where Is The Oil Sending Unit Located At When I Look Next To The Oil Filter Housing There Is Only The Knock Sensor 94 from ww2.justanswer.com 2006 pontiac grand prix crankshaft position sensor,2006 pontiac gp crankshaft position sensor,200. The previous pontiac grand prix had been known as a fine mover, a good stopper, a fair looker and a reasonable handler. The car will rev up, but will not there is no crankshaft sensor on that year. 2005 pontiac grand prix gtp sedangtp sedan. I have never gotten a check daddydougc asked a 2005 pontiac grand prix base maintenance & repair question about a week. Your pontiac crank position sensor gives data to the vehicle's electronic control unit, which controls the vehicle's fuel injection and ignition. A vehicle's crank position sensor is a device used by the engine to identify the speed at which your vehicle's crankshaft is rotating. About 0% of these are used cars, 0 ··· 2004 pontiac grand prix gt1 car.
Here at advance auto parts, we work with only top.
Hello i have a 2008 pontiac grand prix that started running really bad and stalling the other day. A vehicle's crank position sensor is a device used by the engine to identify the speed at which your vehicle's crankshaft is rotating. The previous pontiac grand prix had been known as a fine mover, a good stopper, a fair looker and a reasonable handler. There isn't a crankshaft position sensor on a 3.8l motor in a 1999 pontiac grand prix according to the manual. Our vast selection of premium. Diagnosis of a faulty crankshaft position sensor (ckp) on a 2005 pontiac g6 (code p0335 logged).for more information on repairsolutions® and available. Cheap crankshaft/camshafts position sensor, buy quality automobiles & motorcycles directly from china suppliers:12567648 engine this product belongs to home , and you can find similar products at all categories , automobiles & motorcycles , auto replacement parts , automobiles sensors. Alibaba.com offers 1,074 pontiac grand prix car products. For more information on repairsolutions® and available promotions, please visit www.innova.com/youtube. You have 2 knock sensors in your vehicle. ··· defus high quality autoparts oxygen sensor for buick/chevrolet/gmc/hummer/pontiac probe sensor oxygen sensor cars 12589321. The 1995 pontiac grand am 3.1 liter engine crank shaft sensor is located inside of the rear engine cover. 1999 pontiac grand prix 4 dr se sedan.
Alibaba.com offers 1,074 pontiac grand prix car products. Diagnosis of a faulty crankshaft position sensor (ckp) on a 2005 pontiac g6 (code p0335 logged).for more information on repairsolutions® and available. For more information on repairsolutions® and available promotions, please visit www.innova.com/youtube. A vehicle's crank position sensor is a device used by the engine to identify the speed at which your vehicle's crankshaft is rotating. About 0% of these are used cars, 0 ··· 2004 pontiac grand prix gt1 car.
2004 Misfire 2000 2005 Other Than Gxp from mp.mightorindustries.net Get fast answers to your pontiac grand prix maintenance & repair questions from experts in the i replaced the crankshaft sensor only becasue there was a code in it. I have never gotten a check daddydougc asked a 2005 pontiac grand prix base maintenance & repair question about a week. Below is a picture of the location of the one your where is the low coolant sensor located at on a 2005 pontiac grand prix. Wheel speed sensor location 2 answers. I rarely post, however recently my wife got a 2005 grand prix sc from a local. A vehicle's crank position sensor is a device used by the engine to identify the speed at which your vehicle's crankshaft is rotating. Maintenance & repairs · 1 decade ago. That's impossible it can't do the first with out doing the.
Where is the crankshaft sensor on 2007 trailblazer 4.2 engine.
A vehicle's crank position sensor is a device used by the engine to identify the speed at which your vehicle's crankshaft is rotating. Gm 3 8 crankshaft position sensor replacement dies when hot. Below is a picture of the location of the one your where is the low coolant sensor located at on a 2005 pontiac grand prix. The dtc of p0327 happens to be the easy one of the 2. When it comes to your pontiac grand prix, you want parts and products from only trusted brands. 2005 grand prix automobile pdf manual download. Location of crank angle sensor on 2003 4.7 petrol motor. 2005 pontiac grand prix sub models. Wheel speed sensor location 2 answers. You say the engine will rev up but won't turn over. I rarely post, however recently my wife got a 2005 grand prix sc from a local. The 1995 pontiac grand am 3.1 liter engine crank shaft sensor is located inside of the rear engine cover. For more information on repairsolutions® and available promotions, please visit www.innova.com/youtube.