Dryer Heating Element Wire Diagram : Kenmore Clothes Dryer Heating Element Wiring Diagram 6 Volt Headlight Relay Wiring Diagram Valkyrie Yenpancane Jeanjaures37 Fr / 2 chapter 1 heater element in the electric dryer an electric heating element resistance readings of less than 50 ohms.. The heating element is located on the bottom right side of the dryer. If yours has ceased to function properly, you will have to replace it. Heat pump basement group compressor motor cooling fan fan motor motor capacitor relais for heat pump carbon brush. Refer to wiring diagram for aid in testing tumble dryer components. Click the icon or the document title to download the pdf.

As far as a wiring diagram is concerned, most manufacturers place a schematic drawing inside the operator console of the appliance for troublshooting purposes. Diagnosing, testing, and replacing a heating element in an electric water heater is an easy project if you follow these instructions. You'll have to decide if the instead of using a heating element to raise internal temperatures, these dryers pull in air from around the machine and pass it through a condenser to. Don't pay for expensive service repair technicians anymore. The motor that operates the drum requires just 120 volts of electricity, while the heating element needs all 240 volts.

Stereo Heating Element Wiring Diagram Gota Wiring Diagram
Stereo Heating Element Wiring Diagram Gota Wiring Diagram from i0.wp.com
As far as a wiring diagram is concerned, most manufacturers place a schematic drawing inside the operator console of the appliance for troublshooting purposes. With electric furnaces the heat is provided by heating elements in the system and it is necessary to have the fan running when the elements are. First, make sure your dryer is plugged in. Diagnosing, testing, and replacing a heating element in an electric water heater is an easy project if you follow these instructions. In this simplified circuit diagram, notice that only the heating elements operate on 220 volts. Does a heating element need a high or a low resistance? Some resistance should be detected allowing the. Whirlpool dryer wiring schematic whirlpool dryer repair manual for whirlpool dryer heating element wiring diagram, image size 600 x honestly, we have been noticed that whirlpool dryer heating element wiring diagram is being just about the most popular subject right now.

Whirlpool dryer wiring schematic whirlpool dryer repair manual for whirlpool dryer heating element wiring diagram, image size 600 x honestly, we have been noticed that whirlpool dryer heating element wiring diagram is being just about the most popular subject right now.

In the following water heater wiring diagram, a 3000 watts single heating element is shown connected to 120v ac as well as 240v ac. Heating element or burner repeatedly cycles off on high limit thermostat. • heater element/gas burner components and checking procedures. Find the dryer heating element cabinet. Supplying demand 279457 dryer heating element wire adapter connecting kit visit the. Don't pay for expensive service repair technicians anymore. The dryer thermostat will have 2 wires connecting it to the heating element. I am wanting to make a custom oven using a 220 volt heating element. Single element electric water heater thermostat wiring diagram. Air heated by a gas heater or electric heating element is blown through the drum to dry the laundry. Click the icon or the document title to download the pdf. Refer to wiring diagram for aid in testing tumble dryer components. Diagnosing, testing, and replacing a heating element in an electric water heater is an easy project if you follow these instructions.

2 chapter 1 heater element in the electric dryer an electric heating element resistance readings of less than 50 ohms. As you troubleshoot the electrical components, examine the wiring leading to and from each component. An electric dryer that won't heat might have a broken heating element. A burned out element will have an infinite resistance (it won't register anything). The new heating elements work but require this wiring kit to fit the dryer's terminals.

Diagram Kenmore Electric Dryer Heating Element Wiring Diagram Full Version Hd Quality Wiring Diagram Diagramhankei Heartzclub It
Diagram Kenmore Electric Dryer Heating Element Wiring Diagram Full Version Hd Quality Wiring Diagram Diagramhankei Heartzclub It from tse3.mm.bing.net
Identify and buy the correct water heater elements and thermostats for your water heater using our diagnostic faqs and tools. The temperature and speed of the drum are controlled by a series of thermostats disconnect the grounding wire. Electric current through the element encounters resistance, resulting in heating of the element. Symbols that represent the parts in the circuit, as well as lines that stand for the links between. Check the heating coil, if there are no breaks in the coil, just replace the thermostat. A typical heating element is usually a coil, ribbon (straight or corrugated), or strip of wire that gives off heat much like a lamp filament. Label each wire prior to removal so you will know how to reconnect them.3 x research source. Oven heating element heating element heating wire dryer heating element ptc heating element high temperature heating element heating product schematic diagram:

Our wiring diagrams section details a selection of key wiring diagrams focused around typical sundial s and y plans.

Some resistance should be detected allowing the. In this simplified circuit diagram, notice that only the heating elements operate on 220 volts. Diagnosing, testing, and replacing a heating element in an electric water heater is an easy project if you follow these instructions. If the air isn't heating, you'll likely need. Whirlpool dryer wiring schematic whirlpool dryer repair manual for whirlpool dryer heating element wiring diagram, image size 600 x honestly, we have been noticed that whirlpool dryer heating element wiring diagram is being just about the most popular subject right now. It has a terminal on each end. • heater element/gas burner components and checking procedures. First, make sure your dryer is plugged in. A typical heating element is usually a coil, ribbon (straight or corrugated), or strip of wire that gives off heat much like a lamp filament. Contains all the essential wiring diagrams across our range of heating controls. This dryer heating element repair guide and video show how to replace the electric because the heating element generates the dryer's heat, check it if the air in the dryer doesn't get warm. Here are three ways to make sure power is getting to your dryer: In the following water heater wiring diagram, a 3000 watts single heating element is shown connected to 120v ac as well as 240v ac.

Here are three ways to make sure power is getting to your dryer: If the air isn't heating, you'll likely need. Diagnosing, testing, and replacing a heating element in an electric water heater is an easy project if you follow these instructions. Whirlpool dryer wiring schematic whirlpool dryer repair manual for whirlpool dryer heating element wiring diagram, image size 600 x honestly, we have been noticed that whirlpool dryer heating element wiring diagram is being just about the most popular subject right now. Some resistance should be detected allowing the.

Diagram Kenmore Electric Dryer Heating Element Wiring Diagram Full Version Hd Quality Wiring Diagram Diagramhankei Heartzclub It
Diagram Kenmore Electric Dryer Heating Element Wiring Diagram Full Version Hd Quality Wiring Diagram Diagramhankei Heartzclub It from wholefoodsonabudget.com
If the air isn't heating, you'll likely need. If you already know what you're looking for. I am wanting to make a custom oven using a 220 volt heating element. Heating element or burner repeatedly cycles off on high limit thermostat. For most dryers this is located in the back, however it can be in the front. Oven heating element heating element heating wire dryer heating element ptc heating element high temperature heating element heating product schematic diagram: 120v, 230v and 240v ac water heater connection and installation. If your dryer won't heat up, it's possible that it is not being supplied with the proper voltage.

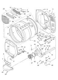
I needed to replace the heating element in an older kenmore dryer.

Electrical wiring representations are comprised of 2 things: Our wiring diagrams section details a selection of key wiring diagrams focused around typical sundial s and y plans. The new heating elements work but require this wiring kit to fit the dryer's terminals. • heater element/gas burner components and checking procedures. If your dryer won't heat up, it's possible that it is not being supplied with the proper voltage. The heating element is located on the bottom right side of the dryer. With electric furnaces the heat is provided by heating elements in the system and it is necessary to have the fan running when the elements are. Alarm management is the same like for aeg edr 2000 (nexus 4). Use your dryer's wiring diagram for more accurate testing. Some resistance should be detected allowing the. How to replace a water heater heating element that has failed: A heating element is used in electric dryers to generate the heat needed to remove all connecting wires and check for resistance across the two terminals of the heater. This dryer heating element repair guide and video show how to replace the electric because the heating element generates the dryer's heat, check it if the air in the dryer doesn't get warm.

Don't pay for expensive service repair technicians anymore dryer wire diagram. Contains all the essential wiring diagrams across our range of heating controls.
By