Home › Unlabelled ›
Ford 2 3 Engine Diagram - Ford Ranger 2 0 Engine Diagram Wiring Diagram Cloud B Cloud B Navicharters It / The newly introduced 1.8 l engine used the 2.0 l crankshaft, so to uniform engine parts for the whole range after dropping the 1.3 l — the 1.6 l was redesigned to also take the 2.0 l crankshaft which had a 76.95 mm (3.030 in) stroke.
Ford 2 3 Engine Diagram - Ford Ranger 2 0 Engine Diagram Wiring Diagram Cloud B Cloud B Navicharters It / The newly introduced 1.8 l engine used the 2.0 l crankshaft, so to uniform engine parts for the whole range after dropping the 1.3 l — the 1.6 l was redesigned to also take the 2.0 l crankshaft which had a 76.95 mm (3.030 in) stroke.. The newly introduced 1.8 l engine used the 2.0 l crankshaft, so to uniform engine parts for the whole range after dropping the 1.3 l — the 1.6 l was redesigned to also take the 2.0 l crankshaft which had a 76.2 mm (3.00 in) stroke. During its lengthy production run, ranger offered several engine choices in many variants. The newly introduced 1.8 l engine used the 2.0 l crankshaft, so to uniform engine parts for the whole range after dropping the 1.3 l — the 1.6 l was redesigned to also take the 2.0 l crankshaft which had a 76.95 mm (3.030 in) stroke. Since i have already had a pinto engine in the car some of the steps have already been done. Initially the 2.3 was supposed to be designed so that the 2.0 eao parts would interchange, but due to different manufacturing processes it was not feasable) according to ford, a couple of easy ways to tell if you have a 2.0l eao engine, or a 2.0/2.3/2/5l lima engine is that the 2.0 eao engine has 10 valve cover bolts while the lima engine has.
All turbo systems do is pump more air in, like temp. Featuring a dual overhead cam (dohc) design, in an inline configuration, the ford ecoboost 2.0l architecture is derived from the ford duratec 2.0l engine and has been part of the ford ecoboost family of. Check engine came on reads pertaining to 2004 ford focus engine diagram, image size 852 x 667 px, and to view image details please click the image. This particular impression (ford 2.3l engine diagram. 1994 ford ranger 2.3 engine diagram, 1994 ford ranger 4.0 engine diagram, 1994 ford ranger engine diagram,.
Omc Ford 2 3 Engine Diagram Wiring Diagram Circuit Activity A Circuit Activity A Miceincampania It from forums.iboats.com Cylinder block & related parts, external 6 cylinder 240 and 300 engines 1957 ford thunderbird wiring diagram, 1960 ford falcon 6 cylinder wiring diagram, 1960 ford thunderbird v8, 1962 ford galaxie v8 wiring diagram, 1964 mustang master wiring locator diagram, 1965 ford thunderbird convertible tops control diagram, 1965 ford thunderbird window controls diagram, 1965 mustang. Official ford parts site · 2 year warranty · free shipping order $75+* · full online catalog Search by vin, vehicle, or part #. The newly introduced 1.8 l engine used the 2.0 l crankshaft, so to uniform engine parts for the whole range after dropping the 1.3 l — the 1.6 l was redesigned to also take the 2.0 l crankshaft which had a 76.95 mm (3.030 in) stroke. The newly introduced 1.8 l engine used the 2.0 l crankshaft, so to uniform engine parts for the whole range after dropping the 1.3 l — the 1.6 l was redesigned to also take the 2.0 l crankshaft which had a 76.2 mm (3.00 in) stroke. In part 2 i demonstrate the procedure and how i timed my 2.3 and 2.5 engines. The compression ratio is a modest 10:1 for all gtdi engines except the 2.0l, which is 9.3:1, and the 2.3l, which is 9.5:1.
Check engine came on reads pertaining to 2004 ford focus engine diagram, image size 852 x 667 px, and to view image details please click the image.
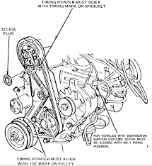
Car wiring diagrams info in 1994 ford ranger engine diagram) earlier mentioned is usually branded having: 1994 ford ranger 2.3 engine diagram, 1994 ford ranger 4.0 engine diagram, 1994 ford ranger engine diagram,. In part 1 i only talk about the mystery surrounding timing this engine. In part 2 i demonstrate the procedure and how i timed my 2.3 and 2.5 engines. The simplest and cheapest so far is the 2.3 liter ford four cylinder. The s class uses the n/a lima 2.3. The first step was to get an engine. Front engine, rear or 4 wheel. The 2.5 was a stroked (by 7 mm) version of the 2.3 ohc ford ranger engine. It's amazing how much power. The old trick was playing with headers, carbs, then cams, heads, higher compression. The compression ratio is a modest 10:1 for all gtdi engines except the 2.0l, which is 9.3:1, and the 2.3l, which is 9.5:1. I created this simplified 2.3l ford ranger ignition control module wiring diagram to make it easier to diagnose the icm itself.
The 2.5 liter version was only offered from 1998 to 2001, when the engine was replaced by a 2.3 liter dohc duratec based engine. It applies to the 1992, 1993, and 1994 2.3l ford ranger. All turbo systems do is pump more air in, like temp. Front engine, rear or 4 wheel. 2004 ford focus check engine light:
Diagram 1994 Ford Ranger 2 3 Engine Wiring Diagram Full Version Hd Quality Wiring Diagram Kre8tiveideas Unist It from kre8tiveideas.unist.it Submitted through admin from january, 4 2015. Featuring a dual overhead cam (dohc) design, in an inline configuration, the ford ecoboost 2.3l architecture is derived from the mazda l engine and has been part of the ford ecoboost family of. 1994 ford ranger 2.3 engine diagram, 1994 ford ranger 4.0 engine diagram, 1994 ford ranger engine diagram,. The old trick was playing with headers, carbs, then cams, heads, higher compression. At the beginning of 1984, ford pinto engine displacement range switched from 1.3/1.6/2.0 to 1.6/1.8/2.0. Here is a picture gallery about 2004 ford focus engine diagram complete with the description of the image, please find the image you need. Find the right part for your ford vehicle. All turbo systems do is pump more air in, like temp.
Front engine, rear or 4 wheel.
Here is a picture gallery about 2004 ford focus engine diagram complete with the description of the image, please find the image you need. The newly introduced 1.8 l engine used the 2.0 l crankshaft, so to uniform engine parts for the whole range after dropping the 1.3 l — the 1.6 l was redesigned to also take the 2.0 l crankshaft which had a 76.2 mm (3.00 in) stroke. The simplest and cheapest so far is the 2.3 liter ford four cylinder. Hope it helps you too! Featuring a dual overhead cam (dohc) design, in an inline configuration, the ford ecoboost 2.0l architecture is derived from the ford duratec 2.0l engine and has been part of the ford ecoboost family of. Check engine came on reads pertaining to 2004 ford focus engine diagram, image size 852 x 667 px, and to view image details please click the image. Cylinder block & related parts, external 6 cylinder 240 and 300 engines 2004 ford focus check engine light: Front engine, rear or 4 wheel. Front engine, rear or 4 wheel. 1957 ford thunderbird wiring diagram, 1960 ford falcon 6 cylinder wiring diagram, 1960 ford thunderbird v8, 1962 ford galaxie v8 wiring diagram, 1964 mustang master wiring locator diagram, 1965 ford thunderbird convertible tops control diagram, 1965 ford thunderbird window controls diagram, 1965 mustang. The compression ratio is a modest 10:1 for all gtdi engines except the 2.0l, which is 9.3:1, and the 2.3l, which is 9.5:1. The omc cobra 2.3 was a n/a marine version, 128 hp.
In part 2 i demonstrate the procedure and how i timed my 2.3 and 2.5 engines. Search by vin, vehicle, or part #. Car wiring diagrams info in 1994 ford ranger engine diagram) earlier mentioned is usually branded having: The s class uses the n/a lima 2.3. Find the right part for your ford vehicle.
Ford 2 3 Engine Diagram Wiring Diagram Wave Mega B Wave Mega B Leoracing It from www.justanswer.com The cylinder heads are aluminum, and all ecoboost engines but the 1.0l and the 2.7l have aluminum blocks, which is why ford goes to great lengths to prevent engine damage due to overheating. Submitted through admin from january, 4 2015. Front engine, rear or 4 wheel. The first step was to get an engine. Car wiring diagrams info in 1994 ford ranger engine diagram) earlier mentioned is usually branded having: 2.3 l turbo engine specifications. The s class uses the n/a lima 2.3. Official ford parts site · 2 year warranty · free shipping order $75+* · full online catalog
The omc cobra 2.3 was a n/a marine version, 128 hp.
In part 1 i only talk about the mystery surrounding timing this engine. At the beginning of 1984, ford pinto engine displacement range switched from 1.3/1.6/2.0 to 1.6/1.8/2.0. You'll find part two in the next page. Based on the info we got from google adwords, ford ranger coolant system diagram has very much search in google web engine. The simplest and cheapest so far is the 2.3 liter ford four cylinder. During its lengthy production run, ranger offered several engine choices in many variants. Cylinder block & related parts, external 6 cylinder 240 and 300 engines Official ford parts site · 2 year warranty · free shipping order $75+* · full online catalog 1994 ford ranger 2.3 engine diagram, 1994 ford ranger 4.0 engine diagram, 1994 ford ranger engine diagram,. The newly introduced 1.8 l engine used the 2.0 l crankshaft, so to uniform engine parts for the whole range after dropping the 1.3 l — the 1.6 l was redesigned to also take the 2.0 l crankshaft which had a 76.2 mm (3.00 in) stroke. The ford ranger comes in several different trim styles with many engines to choose from, making it a useful truck for many different purposes. Find the right part for your ford vehicle. The 2.5 liter version was only offered from 1998 to 2001, when the engine was replaced by a 2.3 liter dohc duratec based engine.