First Company Air Handler Wiring Diagram / Wiring Diagram Connecting Honeywell Humidifier To Carrier Furnace / Find solutions to your air handler wiring diagram question.. Diagram only shows where to put component at a place relative to other components within the circuit. • the air handler should not be located in an area where possible water leakage will result in damage to the appliance or to the surrounding structure. A simple install wiring video of a 1ph 250v 15 amp air handler. Click on the image to enlarge, and then save it to your computer by right clicking on. Corbett cooling trane air handler install part 1 подробнее.

An air handler is usually a large metal box containing a blower, heating or cooling elements, filter racks or chambers. Related manuals for heat controller air handler series. Disconnect power before installing and/or servicing. First company wiring diagram co standard electricalc. From that starting point, let's break down installation costs into three categories based on the amount.

Zone Valve Wiring Manuals Installation Instructions Guide To Heating System Zone Valves Zone Valve Installation Inspection Repair Guide
Zone Valve Wiring Manuals Installation Instructions Guide To Heating System Zone Valves Zone Valve Installation Inspection Repair Guide from inspectapedia.com
A detailed description of where each wire goes in the air handler and condenser and what it controls. Collection of first company air handler wiring diagram. Air handler with single speed cooling unit, 2 stage heat. Related manuals for heat controller air handler series. Diagram only shows where to put component at a place relative to other components within the circuit. Find solutions to your air handler wiring diagram question. A simple install wiring video of a 1ph 250v 15 amp air handler. From that starting point, let's break down installation costs into three categories based on the amount.

1 these air handlers are ari certified with various split system air conditioners and heat pumps (ari standard 210/240).

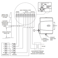
The electrical wiring to this unit is simple if you know how.romex is used in this system. Red wire for air conditioner control power (hot). Usually, the electrical wiring diagram of any hvac equipment can be acquired from the manufacturer of this equipment who provides the electrical wiring diagram in the user's manual (see fig.1) or sometimes on the equipment itself (see fig.2). Air handler (model american standard/train twe036c140b0) wiring diagram. Hvac first company air handler replaced part 1. • when you use the air conditioner for the first time or when you change the set data value, follow the procedure • conform to the regulations of the local electric company when wiring the power supply. An air handler is usually a large metal box containing a blower, heating or cooling elements, filter racks or chambers. First company wiring diagram co standard electricalc. That is a horrible wiring diagram but basically the the black wires on the air handler are l1 and the red are l2 (or vise versa ). Get $40 off on first booking. From that starting point, let's break down installation costs into three categories based on the amount. Related manuals for heat controller air handler series. Quick explanation of air handler wiring for heat pump.

Stat to air handler blue to brown yellow to grey white to yellow green to blue i bet if all commercial electric companies just decided to use whatever color tape how about finding that one set of stat wires was nutted to another set of stat. The diagram provides visual representation of the electrical structure. A simple install wiring video of a 1ph 250v 15 amp air handler. Related manuals for heat controller air handler series. Usually, the electrical wiring diagram of any hvac equipment can be acquired from the manufacturer of this equipment who provides the electrical wiring diagram in the user's manual (see fig.1) or sometimes on the equipment itself (see fig.2).

Installation And Service Manuals For Heating Heat Pump And Air Conditioning Equipment Brands P S Free Manual Downloads
Installation And Service Manuals For Heating Heat Pump And Air Conditioning Equipment Brands P S Free Manual Downloads from inspectapedia.com
Click on the image to enlarge, and then save it to your computer by right clicking on. Trane has a policy of. The diagram provides visual representation of the electrical structure. There are just two things which are going to be present in almost any first company air handler wiring diagram. Related manuals for heat controller air handler series. Trane a business of american standard companies www.trane.com. • all wiring must be a minimum of 14 gauge and installed in. Variable frequency drives return air filter racks with filters ddc control with programmed eprom dirty filter indicators/alarms remote control panel stainless steel drain pans with welded fittings phase monitors.

Corbett cooling trane air handler install part 1 подробнее.

Collection of first company air handler wiring diagram. There are just two things which are going to be present in almost any first company air handler wiring diagram. 1 these air handlers are ari certified with various split system air conditioners and heat pumps (ari standard 210/240). A detailed diagram illustrating where the wires go for 5 wire air conditioner and heating system control. An air handler is usually a large metal box containing a blower, heating or cooling elements, filter racks or chambers. Air handler installation involves setting the air handler, connecting it to the ductwork, installing the indoor coil and running refrigerant lines from the indoor coil to the coil in the outdoor condensing unit. Hvac first company air handler replaced part 1. Find solutions to your air handler wiring diagram question. Quick explanation of air handler wiring for heat pump. The diagram provides visual representation of the electrical structure. Diagram only shows where to put component at a place relative to other components within the circuit. Get $40 off on first booking. That is a horrible wiring diagram but basically the the black wires on the air handler are l1 and the red are l2 (or vise versa ).

Get $40 off on first booking. Find solutions to your air handler wiring diagram question. Disconnect power before installing and/or servicing. That is a horrible wiring diagram but basically the the black wires on the air handler are l1 and the red are l2 (or vise versa ). A detailed diagram illustrating where the wires go for 5 wire air conditioner and heating system control.

Hvac Diagram Standard Heating Air Conditioning
Hvac Diagram Standard Heating Air Conditioning from www.standardheating.com
Air handler installation involves setting the air handler, connecting it to the ductwork, installing the indoor coil and running refrigerant lines from the indoor coil to the coil in the outdoor condensing unit. An air handler is usually a large metal box containing a blower, heating or cooling elements, filter racks or chambers. Click on the image to enlarge, and then save it to your computer by right clicking on. Trane has a policy of. Hvac first company air handler replaced part 1. Trane a business of american standard companies www.trane.com. First company wiring diagram co standard electricalc. From that starting point, let's break down installation costs into three categories based on the amount.

The electrical wiring to this unit is simple if you know how.romex is used in this system.

• the air handler should not be located in an area where possible water leakage will result in damage to the appliance or to the surrounding structure. Air handler installation involves setting the air handler, connecting it to the ductwork, installing the indoor coil and running refrigerant lines from the indoor coil to the coil in the outdoor condensing unit. A detailed description of where each wire goes in the air handler and condenser and what it controls. A simple install wiring video of a 1ph 250v 15 amp air handler. First company wiring diagram co standard electricalc. There are just two things which are going to be present in almost any first company air handler wiring diagram. Corbett cooling trane air handler install part 1 подробнее. Quick explanation of air handler wiring for heat pump. Hvac first company air handler replaced part 1 подробнее. Related manuals for heat controller air handler series. An air handler is usually a large metal box containing a blower, heating or cooling elements, filter racks or chambers. Air handler with single speed cooling unit, 2 stage heat. 1 these air handlers are ari certified with various split system air conditioners and heat pumps (ari standard 210/240).

By