Power Window Relay Location / Cara Memasang Relay Power Windows Agar Kaca Tidak Macet Lks Otomotif / Full selection of power window relays at carid.com.. The back ones work fine. The other picture is a layout of the left side relay. Her power windows all stopped working at once. A picture of where the power window relay is located is all i need. Fuse box diagram (location and assignment of electrical fuses and relays) for gmc acadia (mk1;

The driver's side power window in my 02 corolla has stopped working. The other picture is a layout of the left side relay. Hello i can assist you.your window relays a re located under your hood compartment in the relay fuse cluster.you will need to look closely at the cluster relay name and location diagram. How to wire a power window relay. A power window relay switch relays the power from the car's battery, to the switch itself, and then to the window motor.

Power Windows Just Stop Working In A Jeep Liberty The Fuses Are Good In The Engine Comparment And The Fuse Box Inside
Power Windows Just Stop Working In A Jeep Liberty The Fuses Are Good In The Engine Comparment And The Fuse Box Inside from ww2.justanswer.com
I'm trying to locate the power window relay on my '81 xj6. Для просмотра онлайн кликните на видео ⤵. Her power windows all stopped working at once. Could someone assist me with the location of the power window relay? Power window quit going down on passenger side. When i look i can not find the relay box containing the relays for the windows, horn etc. Fuse box diagram (location and assignment of electrical fuses and relays) for gmc acadia (mk1; Wire diagram says there is only one but doesn't tell me where it is and after.

I can't see any reason why it would be active at all times with my wiring diagram, the issue would be between the battery and fuse.

Report this by gregory fitzgerald. I am thinking the power window relay? The other picture is a layout of the left side relay. Window fuses are 7 and 8. A/c clutch relay by genuine®. My diagram shows it under the dash in a relay box not far from the passenger compartment fuse box. Anyone have a 06 pilot service manual. Clicking this will make more experts see the question and we will remind you when it gets answered. Can someone please tell me the location of this relay(s) and the number written on it?any help is appreciated. Power window quit going down on passenger side. Okay, i got the diagrams (from a manual i bought off of ebay) in my album. I found the two in the truck which i believe control the fuel pump, and power seats. How 5 pin relay works in power window?

How 5 pin relay works in power window? Report this by gregory fitzgerald. Yes that is the relay for the windows. Her power windows all stopped working at once. Power window relay location 2002 ford explorer?

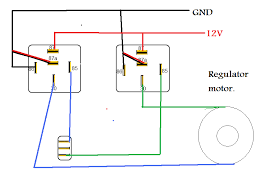
Wiring Circuit For Relays In The Window Motor Layout Electrical Instruments By Lotuselan Net
Wiring Circuit For Relays In The Window Motor Layout Electrical Instruments By Lotuselan Net from www.datahighways.co.uk
I did this because i noticed that the owner's manual did. Recently both the front power windows in my 99 c280 quit working. My haynes manual is somewhat less the useful since it gives no locations and the wiring diagram doesn't match what i'm seeing on the car. There are two relays attached to the console support bracket. Unless i replace the entire wiring harness i'm left to source power from the battery to feed the window switches. Toyota corolla power window not working power window relay short circuit relay repair auto electrician training course and audi bentley mercedes using a 2010 honda fit, i identify the location and function of every relay that i am aware of. The p/w relay and the wiper relay. When i look i can not find the relay box containing the relays for the windows, horn etc.

Can anyone tell me where the power window relay is located on a 2015 outback?

Can someone please tell me the location of this relay(s) and the number written on it?any help is appreciated. I found the two in the truck which i believe control the fuel pump, and power seats. I'm trying to locate the power window relay for a 98 kia sportage. Yes that is the relay for the windows. It should not have any reaction when the key is out. Power window relay location 2002 ford explorer? Can anyone tell me where the power window relay is located on a 2015 outback? Wire diagram says there is only one but doesn't tell me where it is and after. Is it a fuse or relay switch? A picture of where the power window relay is located is all i need. The picture labeled relay location shows a gray box that has the relay, if that is what they are attempting to display. Have had the switches checked and motor checked and regulator checked and here is where tech says it must be a weak relay but i cant find its location to change it. The p/w relay and the wiper relay.

I did this because i noticed that the owner's manual did. The qtr windows go through the power window relay. Have had the switches checked and motor checked and regulator checked and here is where tech says it must be a weak relay but i cant find its location to change it. Posted by skinda1959 on may 27, 2010. Are the front windows controlled by a relay, and if so can someone tell me where it is?

Fuse Box Diagram Infiniti I30 I35 A33 1998 2004
Fuse Box Diagram Infiniti I30 I35 A33 1998 2004 from fuse-box.info
Window fuses are 7 and 8. This should help you if your in search for the relay please sub and like, feel free to comment and thanks for watching. Hello i can assist you.your window relays a re located under your hood compartment in the relay fuse cluster.you will need to look closely at the cluster relay name and location diagram. Power window relay location 2002 ford explorer? My haynes manual is somewhat less the useful since it gives no locations and the wiring diagram doesn't match what i'm seeing on the car. For those who would rather install a professional relay upgrade kit instead of a jumbled mess of crimped all connections are crimped/soldered/heatshrinked where needed and replaces your existing window switch connectors. My diagram shows it under the dash in a relay box not far from the passenger compartment fuse box. Can anyone tell me where the power window relay is located on a 2015 outback?

Unless i replace the entire wiring harness i'm left to source power from the battery to feed the window switches.

My diagram shows it under the dash in a relay box not far from the passenger compartment fuse box. Thanks to you all for the replies. Okay, i got the diagrams (from a manual i bought off of ebay) in my album. The driver's side power window in my 02 corolla has stopped working. The back ones work fine. Power window quit going down on passenger side. Fuse box diagram (location and assignment of electrical fuses and relays) for gmc acadia (mk1; 48 people found this helpful. Can someone please tell me the location of this relay(s) and the number written on it?any help is appreciated. Power window relay location 2002 ford explorer? How to wire a power window relay. Wire diagram says there is only one but doesn't tell me where it is and after. Report this by gregory fitzgerald.

By